Accesorios para bombas de tornillo excéntrico
Además de una amplia gama de bombas de tornillo excéntrico, también ofrecemos a nuestros clientes una serie de accesorios de producción propia.
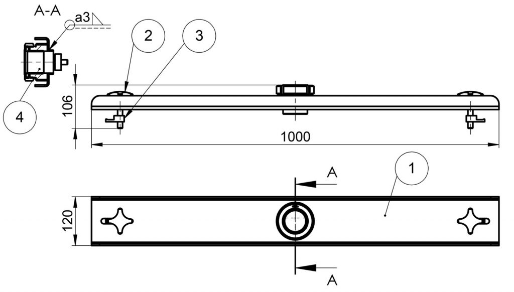
• Cuando se extrae el material de un bidón abierto de 200 litros o de un contenedor IBC de 1000 litros con bombas de tornillo excéntrico, el uso de un travesaño proporciona una opción de bloqueo para un funcionamiento seguro con un vaciado óptimo.
• Los travesaños de acero inoxidable son fáciles de montar con asas ajustables.
| Tambor de 200 l de Traversaño | Nº de pedido |
|---|---|
| Travesía completa compuesta por: | 0200 0016 |
| 1 Travesaño para barril de acero inoxidable | 0200 0017 |
| 2 Tornillo de la empuñadura en cruz | 0500 8005 |
| 3 Abrazadera deslizante del porta bidones | 0200 1019 |
| 4 Soporte de barril de tornillo de cabeza hexagonal | 0200 1096 |
| 5 Tuerca hexagonal | 0500 8013 |
| 6 Tuerca ranurada | 0500 8004 |
| 7 Manguito de sujeción de la unión roscada del barril | 0200 1022 |
| 8 Placa de sujeción de la unión atornillada del barril | 0200 1021 |
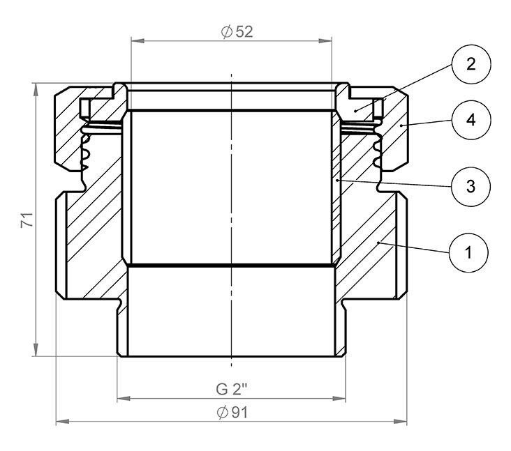
UNIÓN DE BARRILES PARA BOMBAS DE TORNILLO EXCÉNTRICO
• La conexión de tornillo de barril G 2″ permite el uso seguro de las bombas de tornillo excéntrico JP-700 SR, -DR, -FK para bombear medios desde un barril de 200 litros.
• El accesorio de barril de acero inoxidable es rápido y fácil de instalar.
| Conexión de tornillo de barril completa | Nº de pedido |
|---|---|
| Conexión de tornillo de barril G 2" de acero inoxidable para barriles de 200 l |
0200 0004 |
Piezas de repuesto para bombas de tornillo excéntrico
• Estaremos encantados de ayudarle a comprar piezas de repuesto y de desgaste para las bombas de tornillo excéntrico.
• En este proceso de adquisición, además de un buen asesoramiento, revisten especial importancia los plazos de entrega cortos, así como la calidad y un precio favorable.
• Gracias a nuestros buenos contactos en el sector de las bombas, podemos suministrarle repuestos originales de muchos fabricantes conocidos.
• Si lo desea, podemos suministrarle alternativas casi cualitativamente equivalentes, por lo que no se tiene que tratar exclusivamente de piezas originales.
• Rotores de acero inoxidable, por ejemplo 1.4571, 1.4301, cromado duro o revestimiento dúctil. Además, el acero para herramientas endurecido 1.2436 o aceros de menor aleación.
• Los estatores en todos los elastómeros comunes, por ejemplo, NBR (Perbunan), BR (Buna CB), NR (caucho natural), EPDM, FKM. También los estatores sólidos, como el PTFE y el hierro fundido gris.
• Sellos como los sellos mecánicos, cajas de relleno o juntas tóricas.
• Piezas para bombas de tornillo excéntrico, ejes de transmisión (con o sin cromado duro), varillas de acoplamiento y otras piezas giratorias para bombas de diversos materiales



